车梁加工用翻转台的设计-机械毕业设计参考论文
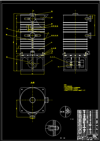
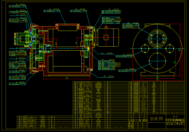
随着时代的进步,中国经济的迅速发展,建筑、采矿等对重型卡车的需求量也在不断的提升,车架是汽车的最重要部件,同时纵梁也是车架的重要部件,在现在国内的各个重型卡车生产厂家,纵梁孔加工工艺是个非常头疼的问题。提高纵梁的加工效率如今拥有很广阔的市场。车身底盘纵梁是各种车辆的基本骨架,直接决定着整个车身的刚性和承受冲击性能,对于车架而言,最基础的部件就是纵梁.对于纵梁的加工,目前国内各大厂家主要采用的是单摇臂钻床靠模加工,加工效率普遍低下,针对此现状我对纵梁钻孔翻转系统的设计进行改进,能支持4台摇臂转床同...